全国统一服务热线
该生产线以回转窑为核心干燥设备,主要用于去除电池级碳酸锂滤饼中的游离水和结晶水。该工艺具有连续性强、热效率高、产品一致性好的特点。
产能:1000 - 30000吨/年
温度:200℃ - 600℃
热源: 天然气、电等
1、处理量大,连续化生产
回转窑干燥机结构简单、运行稳定,适合大规模连续作业,且自动化程度高,人工成本低。
2、热效率高,节能高效
通常采用逆流式加热(热风与物料流向相反),高温烟气与低温湿料充分接触,热能利用率高;若配合余热回收系统,可进一步大幅降低燃料消耗。
3、烘干均匀,产品质量稳
针对锂电池材料对磁性物的严格要求,回转窑可通过采用316L不锈钢筒体,在关键部位进行陶瓷喷涂隔离、优化密封结构等措施,有效控制磁性物增量(如<15ppb),防止污染。
4、适应性强,维护简便
对原料含水率的波动有较强的适应能力,无需频繁调整工况;设备核心部件成熟耐用,故障率低,日常检修和维护相对简单方便。
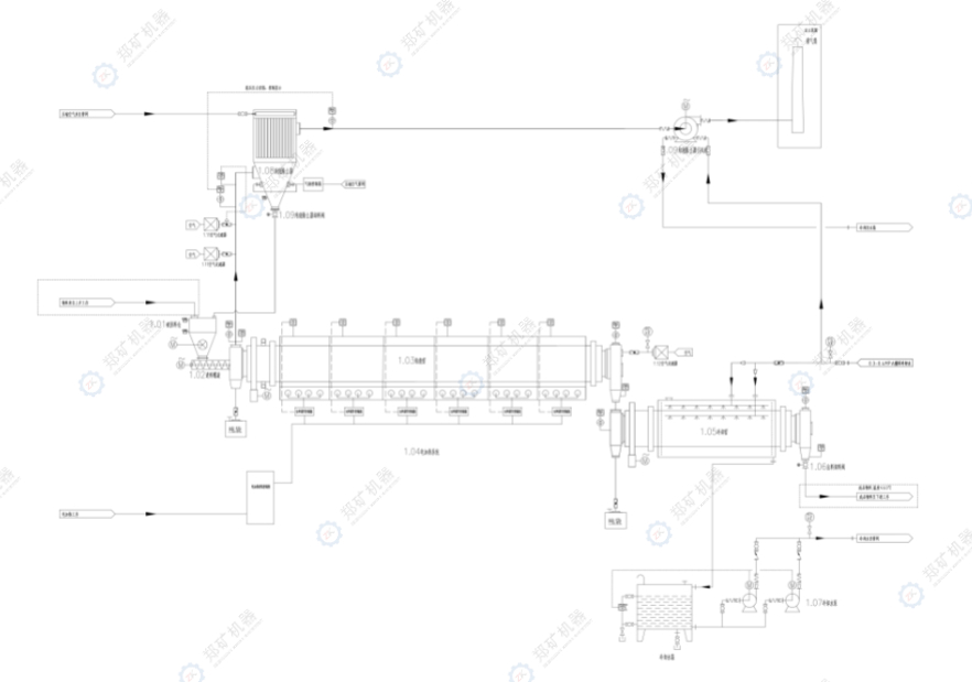
一、工艺总流程概述
湿料进料 → 破碎/打散(可选) → 回转窑烘干 → 尾气除尘与热能回收 → 成品冷却 → 筛分/粉碎 → 成品包装
二、详细工序步骤
1、进料与打散
湿碳酸锂滤饼经破碎机或双轴搅拌机打散成松散小块,通过螺旋输送机均匀送入回转窑进料端,防止大块物料导致烘干不均。
2、回转窑高温烘干(核心)
物料在略微倾斜且旋转的窑体内,被内部扬料板不断带起并撒落形成“料幕”;高温热风(通常300-600℃)逆流穿过料幕,快速蒸发水分,物料随窑体转动缓慢移向出料口,完成干燥。
3、气固分离与除尘
携带粉尘的高温废气从窑头排出,依次经过旋风除尘器(去除大颗粒)和布袋除尘器(精细过滤),回收有价值的碳酸锂粉尘返回生产线,达标尾气经引风机高空排放。
4、冷却、粉碎与包装
烘干后的热物料立即进入冷却机(如回转冷却筒或流化床)降温至40℃以下,随后经解聚粉碎、筛分及除磁处理,确保粒度和纯度达标,最后自动包装入库。